<option id="4ii6i"><source id="4ii6i"></source></option>
  • <td id="4ii6i"><option id="4ii6i"></option></td><table id="4ii6i"><noscript id="4ii6i"></noscript></table>
  • <noscript id="4ii6i"></noscript>
    歡迎您訪問浙江矯馬同步帶有限公司網站,公司主營橡膠同步帶、聚氨酯同步帶、同步帶輪等產品!
    全國咨詢熱線: 0576-83110606

    產品展示

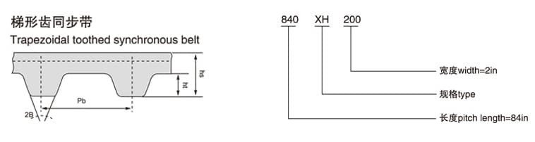
    梯形齒同步帶

    梯形齒同步帶

    MXL、XXL、XL、L、H、XH、XXH、T2.5、T5、T10、T20、AT5、AT10、AT20 眾多的規格廣泛應用于同步傳動領域,經濟且免維護,替代傳統的傳動方式。
    產品詳情

    梯形齒橡膠同步帶

    齒型 節距pb 齒高ht 帶厚 hs 角度 2B° 規格表
    MXL 2.032 0.51 1.22 40 詳細規格
    XXL 3.175 0.76 1.52 50 詳細規格
    XL 5.08 1.27 2.3 50 詳細規格
    L 9.525 1.91 3.60 40 詳細規格
    H 12.7 2.29 4.3 40 詳細規格
    XH 22.225 6.35 11.2 40 詳細規格
    XXH 31.75 9.53 15.7 40 詳細規格

     

    齒型 節距pb 齒高ht 帶厚 hs 角度 2B° 規格表
    T2.5 2.5 0.7 1.3 40 詳細規格
    T5 5 1.2 2.2 40 詳細規格
    T10 10 2.5 4.5 40 詳細規格
    T20 20 5 8 40 詳細規格

     

    齒型 節距pb 齒高ht 帶厚 hs 角度 2B° 規格表
    AT5 5 1.2 2.7 50 詳細規格
    AT10 10 2.5 5 50 詳細規格
    AT20 20 5 8 50 詳細規格

    同步帶產品特點

    1. 玻璃纖維線繩芯確保皮帶具有高強度,良好的柔韌性和高抗拉伸性。
    2. 氯丁橡膠有效保護其不受污垢、油脂、以及潮濕環境的影響。
    3. 抗耐磨尼龍層,更好的保護齒部,延長使用壽命。
    請保存截圖,然后打開微信掃一掃添加好友
    色尼玛影院